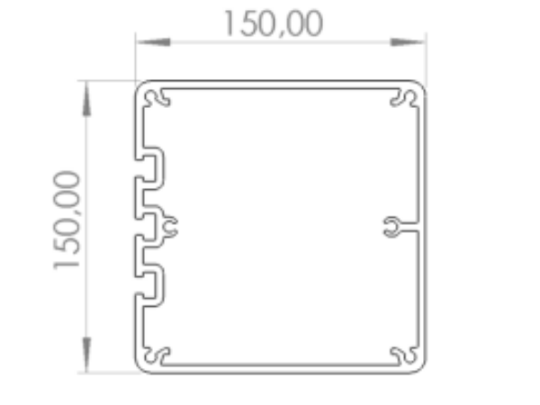
Composition du poteau 150 x 150 sur platine
Auteur
Klos up! | Dernière modification 13/03/2026 par Klos up!
Difficulté
Very easy Très facile
Durée
3 minute(s) minute(s)
Composition du poteau 150 x 150 sur platine
Difficulté
Very easy Très facile
Durée
3 minute(s) minute(s)
<languages />
Composition_du_poteau_150_x_150_sur_platine_Capture_d_cran_2026-03-13_100651.png
Étape 1 - Composition du poteau 150x150 sur platine
- 1 Embout 152x152 aluminium épaisseur 5 mm
- Vis à tôle 6,3x50 TF TORX Qté 4 pour l’embout
- Poteau 150x150 Longueur 2 m Longueur 2,5 m
- 1 Platine 230x152 aluminium épaisseur 10 mm
- Vis à tôle 6,3x50 TF TORX Qté 6 pour la platine
- Sachet Kit visserie 1 kit fourni par poteau Composé de : - 4 vis TH M8x20 - 4 rondelles plates M8 - 4 écrous M8 nylstop
Normal
Published
Vous avez entré un nom de page invalide, avec un ou plusieurs caractères suivants :
< > @ ~ : * € £ ` + = / \ | [ ] { } ; ? #
Pas encore enregistré ? Créez un compte pour profiter de toutes les fonctionnalités du service !